杭誠攻略
管理員
管理員
  • 發帖數19
  • 液壓幣8907枚
今天心情真好!!!
  • 社區居民
閱讀:16074回復:6

[分享]電液換向閥的內控、外控、內泄、外泄是在什么場合下使用的呢?

樓主#
更多 發布于:2018-05-21 17:49
電液換向閥的內控、外控、內泄、外泄是在什么場合下使用的呢?大蘭液壓告訴您不同的控制方式與泄油方式可通過閥上堵頭的設置進行切換。
電液換向閥的內控、外控、內泄、外泄是在什么場合下使用的呢?大蘭液壓告訴您不同的控制方式與泄油方式可通過閥上堵頭的設置進行切換。
電液換向閥控制油x可以取自主油路的P口(內控),也可以另設獨立油源(外控)。
對于高壓液壓系統(P壓力高),為防止換向沖擊,控制油x不能取自主P口,要另設壓力較低的獨立油源,即采用外控式。
采用外控時,獨立油源的流量不得小于主閥最大通流量的15%,以保證換向時間要求。
對于低壓液壓系統(P壓力低),控制油x可以取自主油路的P口,即采用內控式。
用內控時,主油路必須保證最低控制壓力(0.3~0.5MPa)。
電磁閥的回油y可以單獨引出(外泄),也可以在閥體內與主閥回油口T溝通,一起排回油箱(內泄)。
對于主閥回油口T壓力高的系統,為防止T背壓過高導致先導閥回油y也過高,引起主閥換向阻力過大,回油y要與T隔開,單獨回油箱,即采用外泄式。
對于回油口T壓力低的系統,回油y可與T溝通,采用內泄式。
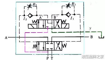
下圖所示為外控外泄式電液換向閥油路,此類閥用于高壓系統同時主回油路壓力(背壓)較高的場合。

圖片:6362831123123437502150507.png



下圖所示為內控內泄式電液換向閥油路,此類閥用于低壓系統同時主回油路壓力(背壓)較低的場合。

圖片:6362831107692187501992931.png


下圖所示為內控外泄式電液換向閥油路,適用于低壓系統同時主回油路壓力(背壓)較高的場合。

圖片:6362831112960937506897517.png


下圖所示為外控內泄式電液換向閥油路,適用于高壓系統同時主回油路壓力(背壓)較高的場合。

圖片:6362831119098437505580442.png

喜歡3 評分0

最新喜歡:

cnsdwsmcnsdws... lianqghglianqg... LYRLYR
機電設備維修
液壓高級工程師二級
液壓高級工程師二級
  • 發帖數1237
  • 液壓幣20742枚
大家好
  • 社區居民
  • 最愛沙發
  • 忠實會員
沙發#
發布于:2018-05-24 06:31
講解的透徹,內控外控具體的管路連接在系統中比較常見,但沒有詳細分析過使用場合與環境,學習了
chao
液壓學徒工二級
液壓學徒工二級
  • 發帖數79
  • 液壓幣872枚
今天心情真好!!!
  • 社區居民
  • 忠實會員
板凳#
發布于:2018-05-29 12:49
學習了
15860066899
液壓學徒工一級
液壓學徒工一級
  • 發帖數49
  • 液壓幣123枚
今天心情真好!!!
地板#
發布于:2022-01-11 09:26
所謂的壓力高的場合,大概多少MPa算壓力高的呢
第五天37
液壓學徒工一級
液壓學徒工一級
  • 發帖數181
  • 液壓幣65枚
找資料
4樓#
發布于:2024-05-31 11:48
高手
cnsdwsm
液壓高級工程師
液壓高級工程師
  • 發帖數322
  • 液壓幣9957枚
這人很懶,什么都沒留下。
  • 社區居民
  • 最愛沙發
  • 忠實會員
5樓#
發布于:2024-06-02 10:10
學習了
lianqghg
液壓助理工程師一級
液壓助理工程師一級
  • 發帖數651
  • 液壓幣146枚
這人很懶,什么都沒留下。
6樓#
發布于:2025-12-10 11:10
不錯
游客

返回頂部