|
|
|
|
板凳#
發布于:2024-01-24 09:07
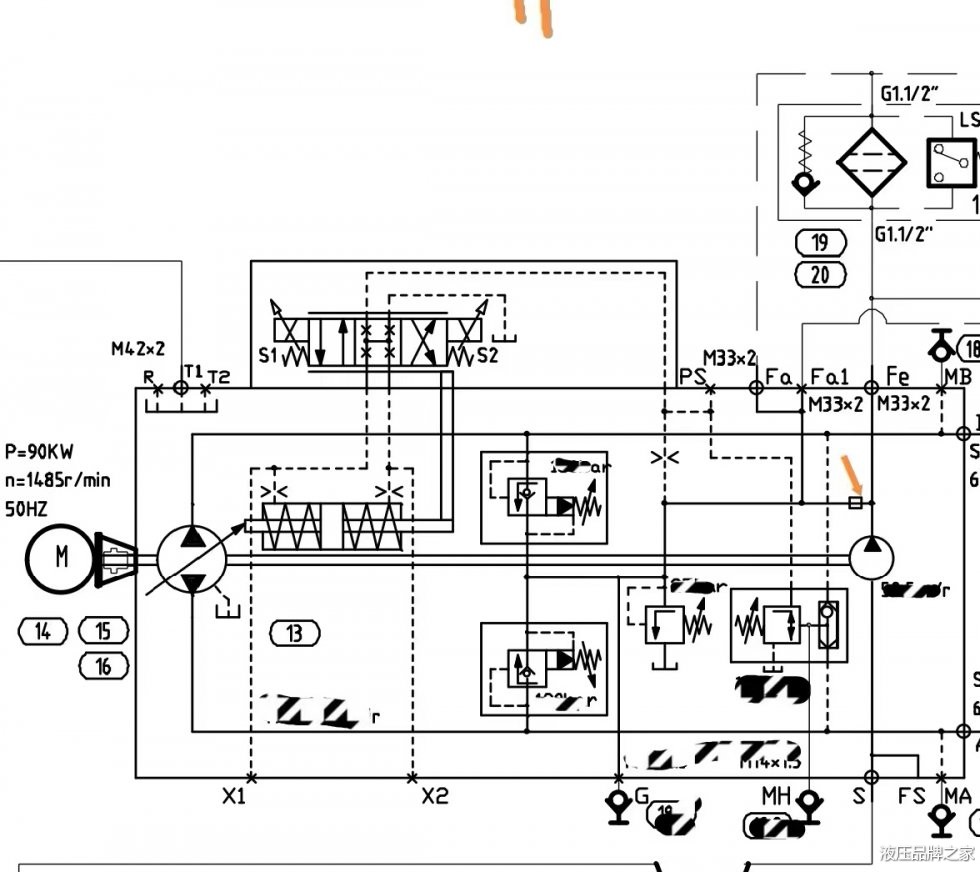
留有螺紋,可安裝螺堵阻斷,也可不安裝螺堵開啟。
此處阻斷可通過外部過濾器過濾后再返回到Fa,如果不用過濾器,開啟此功能,Fe可封堵。 |
|
|
地板#
發布于:2024-01-29 14:22
阻尼吧,具體的還是要看實物,因為圖紙上的符號不知道按什么標準的。
|
|
1:1
- 14:22:13[請教] 閉式液壓行走系統如何防止打滑
- 14:26:43[樣本] VIS 霨仕液壓插裝閥樣本【全】
- 14:25:24[中國] 意大利 VIS 霨仕液壓 · 進口螺紋插裝閥
- 11:34:44[展會] 2023中國西部國際農機展覽會,將于12月22日在西安臨空會展中心隆重舉行,期待您的參與!
- 11:34:18[展會] 12月22日中國西部國際農機展覽會,將于西安臨空會展中心隆重召開。
- 11:31:31[展會] 2023中國西部第八屆國際農機展覽會,將于12月22日隆重召開
- 15:43:02[其它] 【交流接觸器型號含義作用原理】- 米思米機械設備知識分享
- 13:08:04[下載] 派克PVP泵
- 15:29:37[其它] 【變壓器工作原理功能介紹】- 米思米機械設備知識分享
- 15:10:33[其它] 【變頻器如何連接控制plc】- 米思米機械設備知識分享
- 16:25:36[樣本] 力士樂選型軟件
- 10:30:08[樣本] atos阿托斯全套樣本中文版
- 20:06:25[樣本] 力士樂工業液壓官方光盤版樣本資料
- 10:26:26[樣本] EATON伊頓液壓樣本(全套樣本CD版)
- 11:52:43[樣本] 派克PARKER全套樣本-中英雙語版本
- 20:36:59[樣本] 伊頓全套軟管接頭樣本
- 11:28:24[樣本] 賀德克 HYDAC全套樣本
- 17:20:22[樣本] 薩奧-丹佛斯sauer-danfoss全套樣本
- 13:31:58[樣本] SUN太陽螺紋插裝閥樣本(中文版)
- 16:24:00[樣本] Festo 產品樣本 2015版選型軟件




